上海国特阀门QJH高压球芯截止阀有螺纹、法兰及板式三种连接形式,球芯及阀体内外表面均做防腐处理,适用于各种油类及水基乳化液为介质的液压系统。
【产品名称:高压球芯截止阀】
【产品型号:QJH-NL、QJH-WL】
上海国特阀门QJH高压球芯截止阀阀体材料有碳钢、不锈钢;球体材料:碳钢、黄铜、不锈钢;工作温度:-25~+100℃、-30~+170℃;密封材料:丁晴橡胶、氟橡胶;手柄形式:铝质直柄、铝质曲柄、铸锌直柄04、铸锌曲柄、钢质直柄、钢质曲柄、不带手柄;表面处理:磷化、电镀黄锌;驱动形式:手动、气动、电动。
【产品介绍】:
上海国特阀门QJH高压球芯截止阀有螺纹、法兰及板式三种连接形式,球芯及阀体内外表面均做防腐处理,适用于各种油类及水基乳化液为介质的液压系统。
【工作原理】:
QJH高压球芯截止阀靠旋转阀杆来使阀门畅通或闭塞。该阀设计结构紧凑、体积小。采用锻钢阀体,密封环为自润滑工程塑料,耐高压,密封性能好,手把搬动灵活舒适。球阀芯及阀体内外表面均做防腐处理。适用于各种油类及水基乳化液为介质的液压系统。可用于高、中、低压系统管道做为手动开关阀使用。
【产品特点】:
1、结构简单、体积小、重量轻。
2、流体阻力小,全通径的基本没有流阻。
3、可用于高、中、低压系统管道做为手动、气动或电动使用。
4、密封面材料广泛使用各种塑料,密封性好,能实现完全密封。
5、具有流阻损失小,密封性能可靠,操作方便,外观精美等特点。
【产品其他参数】:
图形符号 
高压球芯截止阀型号说明
① 系列代号Series Code:QJH系列高压球芯截止阀
② 压力等级Pressure Grade:H-32MPa
③ 公称通径Nominal Path:6、10、15、20、25、32、40、50、65、80mm
④ 连接形式Joint Model:B-板式、F-法式、NL-内螺纹连接、WL-外螺纹连接
高压球芯截止阀外形尺寸 
型号 | A | B | C | L1 | L2 | L3 | L4 | L5 | L6 | H | N | d1 | d2 |
QJH-10B | 80 | 54 | 42 | 60 | 45 | 11 | 13 | 105 | 33 | 38 | 62 | Ф8.5 | Ф9 |
QJH-15B | 92 | 58 | 44 | 56 | 52 | 6 | 18 | 147 | 39 | 42 | 77 | Ф8.5 | Ф14 |
QJH-20B | 108 | 70 | 52 | 70 | 60 | 8.5 | 21.5 | 185 | 45 | 50 | 90 | Ф11 | Ф18 |
QJH-25B | 125 | 75 | 60 | 80 | 72 | 11 | 20 | 185 | 54.5 | 55 | 99 | Ф11 | Ф24 |
QJH-32B | 152 | 98 | 71 | 120 | 90 | 19 | 16 | 240 | 69.5 | 75 | 111 | Ф13 | Ф30 |
QJH-40B | 185 | 120 | 93 | 150 | 110 | 23 | 20 | 240 | 80 | 90 | 129 | Ф17 | Ф38 |

型号 | D | L | L1 | L2 | H | F | E | N |
QJH-50F1 | Ф62 | 170 | 30 | 17 | 104 | 118 | 55 | 240 |
QJH-65F1 | Ф77 | 220 | 45 | 22 | 126 | 132 | 67 | — |
QJH-80F1 | Ф91 | 240 | 45 | 25 | 139 | 142 | 75 | — |

QJH系列高压球芯截止阀
型号 | A | B | C | L | H×a | 2-D |
QJH-06NL | 13.5 | 27 | 105 | 67 | 33×26 | M16×1.5 |
QJH-10NL | 16 | 40 | 105 | 76 | 36×32 | M18×1.5 |
QJH-15NL | 19 | 45 | 147 | 88 | 45×38 | M27×2 |
QJH-20NL | 25 | 46 | 185 | 100 | 55×48 | M33×2 |
QJH-25NL | 28.5 | 59 | 185 | 116 | 64×57 | M42×2 |
QJH-32NL | 37.5 | 74 | 240 | 130 | 84×75 | M48×2 |
QJH-40NL | 42.5 | 88 | 240 | 140 | 95×85 | M60×2 |

外螺纹连接尺寸:
型号 | A | B | C | L | H×a | 2-D |
QJH-06WL | 13.5 | 27 | 105 | 71 | 33×26 | M16×1.5 |
QJH-10WL | 16 | 40 | 105 | 86 | 36×32 | M22×1.5 |
QJH-1WNL | 19 | 45 | 147 | 96 | 45×38 | M30×1.5 |
QJH-20WL | 25 | 46 | 185 | 112 | 55×48 | M36×2 |
QJH-25WL | 28.5 | 59 | 185 | 122 | 64×57 | M42×2 |
QJH-32WL | 37.5 | 74 | 240 | 145 | 84×75 | M52×2 |
QJH-40WL | 42.5 | 88 | 240 | 163 | 95×85 | M60×2 |

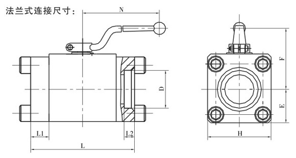
法兰式连接尺寸:
型号 | L | L1 | H | H1 | D | d1 | d2 | M |
QJH-10F | 103 | 105 | 44 | 36 | Ф68 | Ф22 | Ф10 | M10 |
QJH-15F | 113 | 147 | 46 |
上一个:YJZQ高压球阀(带焊接管接头)
下一个:高压对焊球阀(A105、F304、F316)
在线询价导航栏目联系我们联系人:张厂长 手 机:13858880658 邮 箱: 公 司:温州精洲管件法兰有限公司官方网站 地 址: |