上海国特阀门KHB3K三通高压球阀采用碳钢或不锈钢阀体制造,可用于压力为500bar的油品、气体及水等介质,采用氟橡胶为密封圈,阀体表面磷化处理或电镀黄锌。外形美观,配带铝制曲手柄或钢质曲柄。
【产品名称:三通高压球阀】
【产品型号:KHB3K】
上海国特阀门KHB3K三通高压球阀阀体材料有碳钢、不锈钢;球体材料:碳钢、黄铜、不锈钢;工作温度:-25~+100℃、-30~+170℃;密封材料:丁晴橡胶、氟橡胶;手柄形式:铝质直柄、铝质曲柄、铸锌直柄04、铸锌曲柄、钢质直柄、钢质曲柄、不带手柄;表面处理:磷化、电镀黄锌;驱动形式:手动、气动、电动。
【产品介绍】:
上海国特阀门KHB3K三通高压球阀采用碳钢或不锈钢阀体制造,可用于压力为500bar的油品、气体及水等介质,采用氟橡胶为密封圈,阀体表面磷化处理或电镀黄锌。外形美观,配带铝制曲手柄或钢质曲柄。
【工作原理】:
KHB3K三通高压球阀分L型和T型,L型为一进一出,T型为一进二出或二进一出。阀杆带动球体经90度的旋转动作来达到换向的控制目的,或经180度的旋转动作来达到换向与分流合流的控制目的。
【产品特点】:
1、结构紧凑、启闭迅速、流道畅通、流体阻力小。
2,维修方便:在系统卸压后,无需拆下整个阀体就可进行检查和维修。
3、密封性能好:利用四面阀座材料聚四氟乙烯弹性变形实现无泄漏密封。
4、一阀多用:任一通口可用作入口而无泄漏,三通既可制成L型通口,也可制成T型通口。
KHB3K、KHBK3系列二位三通球阀的图形符号 
型号说明
① 系列代号:KHB3K(BK3)系列二位三通球阀
② 连接代号:M** 、G** 、 **LR 、**SR、PT**、NPT**
③ 阀体材料:1-钢、2-不锈钢
④ 球体材料:1-钢、2-黄铜、3-不锈钢
⑤ 工作温度:1、-25~+100℃ 2、-30~+170℃
⑥ 其他密封:2-丁晴橡胶、4-氟橡胶
⑦ 手柄形式:01-铝质直柄02-铝质曲柄03-铸锌直柄04-铸锌曲柄05-钢质直柄06-钢质曲柄09-不带手柄
⑧ 设计序号:由生产商定
⑨ 表面处理:空白-磷化、G-电镀黄锌
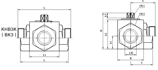
外形尺寸
尺寸表
连接口略图:
生产销售 外螺纹高压球阀 焊接式高压球阀 卡套式高压球阀
生产:内螺纹高压球阀 外螺纹高压球阀 卡套式高压球阀 焊接时 高压球阀
生产 各种螺纹高压球阀 非标高压球阀 定做
L轻型高压球阀-250压力 S轻型高压球阀-320压力 内螺纹高压球阀 内螺纹高压球阀
w-BKH-06L-04-11251 w-BKH-06S-04-11251 BKH-G1/8-04-11251 BKH-NPT1/8-04-11251
w-BKH-08L-06-11251 w-BKH-08S-04-11251 BKH-G3/8-06-11251 BKH-NPT3/8-06-11251
w-BKH-10L-08-11251 w-BKH-10S-06-11251 BKH-G3/8-08-11251
w-BKH-12L-10-11251 w-BKH-12S-08-11251 BKH-G3/8-10-11251 BKH-NPT3/8-10-11251
w-BKH-15L-13-11251 w-BKH-14S-10-11251 BKH-G1/2-10-11251 BKH-NPT1/2-10-11251
w-BKH-18L-13-11251 w-BKH-16S-13-11251 BKH-G3/4-20-11251 BKH-NPT3/4-20-11251
w-BKH-18L-16-11251 w-BKH-20S-16-11251 BKH-G1"-25-11251 BKH-NPT1"-25-11251
w-BKH-22L-20-11251 w-BKH-25S-20-11251 BKH-G11/4-32-11251 BKH-NPT11/4-32-11251
w-BKH-28L-25-11251 w-BKH-30S-25-11251 SKH-G11/2-40-11251 SKH-NPT11/2-40-11251
w-BKH-35L-25-11251 w-SKH-38S-32-11251 SKH-G2"-40-11251
w-SKH-35L-32-11251 SKH-G2"-50-11251 SKH-NPT 2"-50-11251
w-SKH-42L-32-11251
w-SKH-42L-40-11251
简略型号 | PN(bar) | DN | LW | RA | d1 | i | L | L1 | B | H | h1 | h2 | h3 | SW1 | SW2 | S |
KHB3K-M16×1.5 | 500 | 06 | 06 | 11 | M16×1.5 | 11 | 69 | 40 | 26 | 45 | 13.5 | 33 | 8 | 09 | 22 | 27.5 |
KHB3K-M22×1.5 | 500 | 08 | 08 | 16 | M22×1.5 | 12 | 76 | 42 | 32 | 49 | 16 | 36 | 10 | 09 | 27 | 33 |
KHB3K-M27×1.5 | 500 | 10 | 10 | 20 | M27×1.5 | 12 | 76 | 42 | 32 | 49 | 16 | 36 | 10 | 09 | 27 | 33 |
KHB3K-M30×1.5 | 400 | 16 | 15 | 24 | M30×1.5 | 13 | 84 | 48 | 38 | 61 | 19 | 45 | 11 | 09 | 32 | 37 |
KHB3K-M36×2 | 315 | 20 | 20 | 30 | M36×2 | 15 | 103 | 60 | 48 | 70 | 25 | 55 | 11 | 12 | 41 | 45.5 |
KHB3K-M42×2 | 315 | 25 | 23 | 35 | M42×2 | 18 | 116 | 65 | 57 | 79 | 28.5 | 64 | 11 | 12 | 50 | 54 |
KHB3K-M52×2 | 315 | 32 | 32 | 40 | M52×2 | 20 | 149 | 84 | 75 | 101 | 37.5 | 84 | 12 | 14 | 60 | 70 |
KHB3K-M60×2 | 315 | 40 | 38 | 45 | M60×2 | 22 | 174 | 91 | 85 | 112 | 42.5 | 95 | 12 | 14 | 70 | 84 |
简略型号 | PN(bar) | DN | LW | RA | d1 | i | L | L1 | B | H | h1 | h2 | h3 | SW1 | SW2 | S |
KHB3K-G1/8 | 500 | 04 | 06 | / | G1/8 | 10 | 69 | 40 | 26 | 45 | 13.5 | 33 | 8 | 09 | 22 | 35 |
KHB3K-G1/4 | 500 | 06 | 06 | / | G1/4 | 14 | 69 | 40 | 26 | 45 | 13.5 | 33 | 8 | 09 | 22 | 35 |
KHB3K-G3/8 | 500 | 10 | 10 | / | G3/8 | 14 | 72 | 42 | 32 | 49 | 16 | 36 | 10 | 09 | 27 | 36 |
KHB3K-G1/2 | 500 | 13 | 12 | / | G1/2 | 16 | 83 | 48 | 35 | 49 | 17 | 40 | 10 | 09 | 30 | 40 |
KHB3K-G1/2 | 400 | 16 | 15 | / | G1/2 | 16 | 83 | 48 | 38 | 61 | 19 | 45 | 11 | 09 | 32 | 42 |
KHB3K-G3/4 | 315 | 20 | 20 | / | G3/4 | 18 | 95 | 60 | 48 | 70 | 25 | 55 | 11 | 12 | 41 | 49 |
KHB3K-G1 | 315 | 25 | 25 | / | G1 | 21 | 113 | 65 | 57 | 79 | 28.5 | 64 | 11 | 12 | 50 | 56.5 |
KHB3K-G 11/4 | 315 | 32 | 32 | / | G 11/4 | 22 | 110 | 84 | 75 | 101 | 37.5 | 84 | 12 | 14 | 60 | 62.5 |
KHB3K-G 11/2 | 315 | 40 | 38 | / | G 11/2 | 24 | 130 | 91 | 85 | 112 | 42.5 | 95 | 12 | 14 | 70 | 61 |
KHB3K-G2 | 315 | 50 | 48 | / | G2 | 26 | 140 | 100 | 105 | 131 | 52.5 | 112 | 12 | 14 | 80 | 62.5 |

简略型号 | PN(bar) | DN | LW | RA | d1 | i | L | L1 | B | H | h1 | h2 | h3 | SW1 | SW2 | S |
KHB3K-NPT1/8 | 500 | 04 | 06 | / | NPT1/8 | 10 | 69 | 40 | 26 | 45 | 13.5 | 33 | 8 | 09 | 22 | 35 |
KHB3K-NPT1/4 | 500 | 06 | 06 | / | NPT1/4 | 14 | 69 | 40 | 26 | 45 | 13.5 | 33 | 8 | 09 | 22 | 35 |
KHB3K-NPT3/8 | 500 | 10 | 10 | / | NPT3/8 | 14 | 72 | 42 | 32 | 49 | 16 | 36 | 10 | 09 | 27 | 36 |
KHB3K-NPT1/2 | 500 | 13 | 12 | / | NPT1/2 | 16 | 83 | 48 | 35 | 49 | 17 | 40 | 10 | 09 | 30 | 40 |
KHB3K-NPT1/2 | 400 | 16 | 15 | / | NPT1/2 | 16 | 83 | 48 | 38 | 61 | 19 | 45 | 11 | 09 | 32 | 42 |
KHB3K-NPT3/4 | 315 | 20 | 20 | / | NPT3/4 | 18 | 95 | 60 | 48 | 70 | 25 | 55 | 11 | 12 | 41 | 49 |
KHB3K-NPT1 | 315 | 25 | 25 | / | NPT1 | 21 | 113 | 65 | 57 | 79 | 28.5 | 64 | 11 | 12 | 50 | 56.5 |
KHB3K-NPT 11/4 | 315 | 32 | 32 | / | NPT 11/4 | 22 |
上一个:高压内螺纹球阀(KHB、BKH)
下一个:法兰高压球阀(KHBF、KHMF)
在线询价导航栏目联系我们联系人:张厂长 手 机:13858880658 邮 箱: 公 司:温州精洲管件法兰有限公司官方网站 地 址: |